[Prev] [Next] [Contents] [Commodore] [New] [Search] [Home]

1541 CIRCUIT THEORY

[Microprocessor Control schematic]

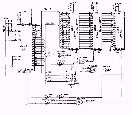
Microprocessor Control of RAM and ROM

UB3 and UB4 are 8192 x 8 bit ROMS that store the Disk Operating System (DOS). UB3 resides at memory locations $C000-$DFFF. UB4 resides at memory locations $E000-$FFFF. UC5 and UC6 decodes the addresses output from the microprocessor when selecting these ROMS.

UB2 is a 2048 x 8 bit RAM. UB2 resides at memory locations $0000-$07FF. This memory is used for processor stack operations, general processor housekeeping, use program storage, and 4 temporary buffer areas. UC5, UC6 and UC7 decode the addresses output from the processor when selecting RAM.


[Prev] [Next] [Contents] [Commodore] [New] [Search] [Home]
This page has been created by Sami Rautiainen.
Read the small print. Last updated April 18, 1998.